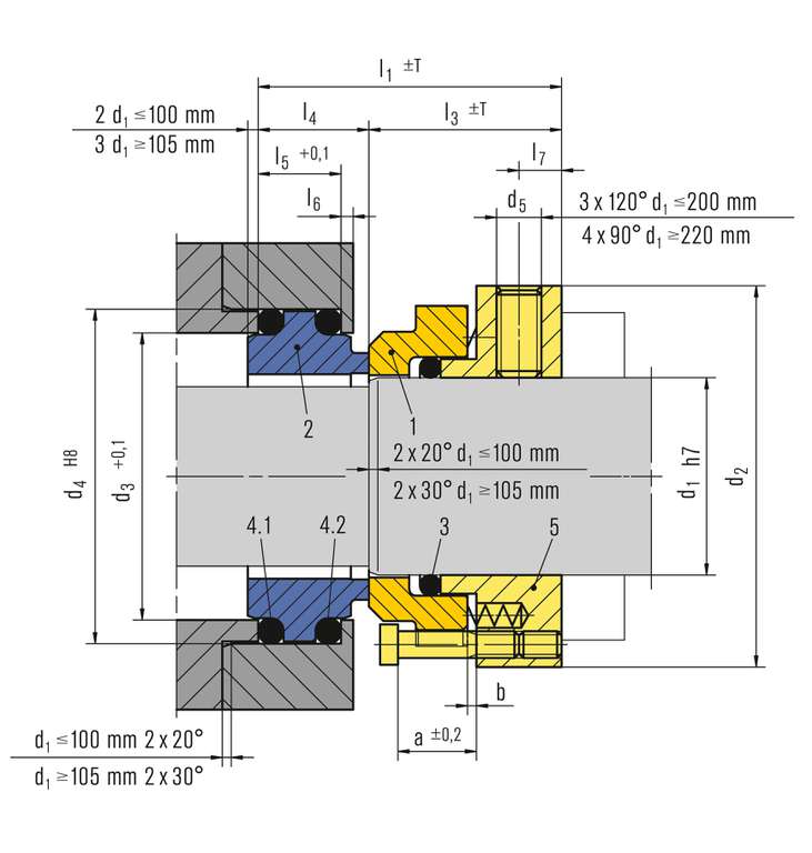
Item Description
1 Seal ring
2 Mating ring
3, 4.1, 4.2 O-Ring
5 Thrust unit

AX25

Features

  • External configuration
  • Balanced
  • Independent of direction of rotation
  • Independent of pressure direction

Advantages

  • Robust and easy to install design
  • Springs protected from the product
  • No metal parts on the product side
  • Simple conversion of gland packings

Operating range

Shaft diameter:
d1 = 15 … 300 mm (0.59" ... 11.81")
Pressure: p1 = 16 bar (232 PSI)
Temperature:
t = -40 °C … 220 °C (-40 °F … 428 °F)
Sliding velocity: vg = 20 m/s (66 ft/s)

Materials

Seal face:
Silicon Carbide (Q2), CrMo cast steel (S)
Seat: Carbon graphite resin impregnated (B), Silicon carbide (Q2)
Secondary seals:
EPDM (E), NBR (P), FKM (V), FFKM (K), coated (M)
Springs: CrNiMo steel (G)
Metal parts: CrNiMo steel (G)

Similar products

AX25D

  • Dual seal
  • Balanced
  • Independent of direction of rotation
  • Independent of pressure direction

AX30

  • Unbalanced
  • Dependent on direction of rotation
  • Solid seats

AX40K

  • Stationary springs
  • Balanced
  • Independent of direction of rotation
  • Independent of pressure direction
Contact

Inquire about individual solutions

We develop and produce customer-specific special and individual solutions for every application.

Inquire now Discover reference projects
Back to the overview