HR
Seat alternatives

For a larger view, please mouseover the image.
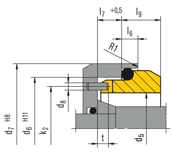
G2
(dN 36 ... 90 mm)
For a larger view, please mouseover the image.
G9
(dN 95 ... 180 mm)